公司简介
企业文化
荣誉资质
公司环境
支架单体
成套件
配件
液压工程
公司新闻
行业动态
产品资讯
PA-固定式上吸口
测试栏目
PB-固定式横吸口
PC-弹簧式上吸口
PD-弹簧式横吸口
PE-固定式直接型
PF-弹簧式直接型
AG系列
B系列
BG系列
C系列
D系列
E系列
F系列
J系列
K系列
L系列
LB系列
P系列
R系列
U系列
W系列
ZP-B系列
ZP-C系列
ZP-H系列
ZP-HB系列
ZP-U系列
接头
快插接头
宝塔接头
连接螺丝
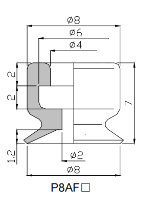
P8AF
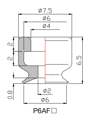
P6AF
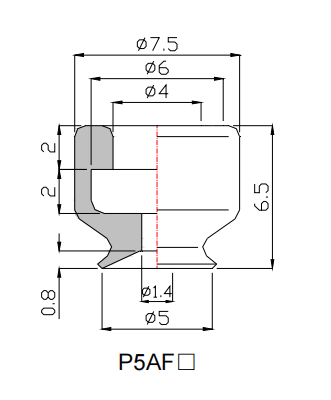
P5AF
P3.5x7AF
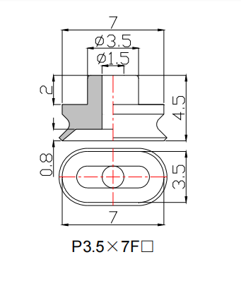
P3.5x7F
P3.5F
热线电话
13166477090
上班时间
周一到周五
公司电话
13166477091